让机床的每一分钟更有价值
EVERY MINUTE FOE MORE
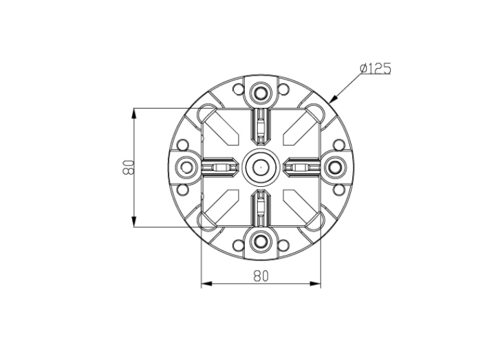
编号:TE80-0007
品名:ITS80 气动EDM卡盘
卓越性能
不锈钢硬化本体,更耐腐蚀和高温,更低维护成本
数秒内更换夹具,重复定位精度<0.002mm
与T-King系列虎钳配合使用实现精确的快换和定位
快换装置上的拉钉也可以安装在其他虎钳、工装甚至直接安装在工件上,实现高精度快换功能
主要参数
材料:日本优质不锈钢
Material: INOX
尺寸Size: Φ125*117.7 mm
单个卡盘重复定位精度≤ 2 μm
Repeatability ≤ 2 μm
分度 Indexing: 4 x 90 °
夹紧力 Clamping power:6000N
建议用于夹紧ITS 50电极夹头、ITS 148托板和TV Mini 48自定心虎钳 TV55电极虎钳
The ITS 100-M chuck serves to clamp electrode holders ITS 50, ITS pallets 148 and Centric clamping vise TV Mini 48 and Electrode vise TV55
应用:车床、铣床、磨床、电火花或线切割机床、分度头和夹具。
Application: Turning, milling, grinding or EDM/WEDM machines, in dividers and fixtures
相关产品
相关新闻
- 2025-06-27
- 2025-06-20
- 2025-03-26
- 2025-03-07
新闻和资讯
产品中心
-
- TE210-0001 PC210车铣复合卡盘
- TE100-0002 ITS100机械式卡盘带底板
- TE100-0007 ITS100机械式曲头卡盘
- TE100-0009 ITS100气动卡盘带底板
- TE100-0014 ITS100气动卡盘(一出九)
- TE100-0015 ITS100横立气动卡盘
- TE100-0016 ITS100曲头气动卡盘
- TE100-0020 ITS100电极校正头
- TE100-1041 Φ150*51平面不锈钢夹头
- TE100-1071 Φ气动电极分中器
- TE80-0005 ITS80气动卡盘(一出六)
- TE80-0007 ITS80气动EDM卡盘
- TE056-0002 ITS手动延长杆150
- TE056-0004 ITS手动水平延长杆
- TE056-0005 ITS手动侧向延长杆150
- TE150-0001 ITS150气动卡盘
- T-KING EROWA铜夹头
- TW100-0001 气动扁平卡盘
- TW100-0002 角度旋转卡盘
- TW100-0003 手动固定式线割卡盘
- TW100-0004 带基础过渡板的手动线割卡盘
- TW100-0005 旋转摆动虎钳0-100mm
- TW100-0006 V型线割夹头
- TW100-0007 Z向线割夹具
- TW100-0008 Z向线割支撑架
-
- TR100-0001 3R气动卡盘
- TR100-0002 3R气动卡盘(一出二)
- TR100-0003 3R气动卡盘(一出三)
- TR100-0004 3R气动卡盘(一出四)
- TR100-0006 3R气动卡盘(一出九)
- TR050-0001 3R小型气动卡盘(一出四)
- TR050-0002 3R小型气动卡盘(一出六)
- TR050-0003 3R小型气动卡盘(一出九)
- TR075-0001 3RΦ75手动卡盘
- TR150-0001 3RΦ150气动卡盘
- TR100-1001 3R零位基准座
- TR080-0001 3RΦ80手动卡盘
- TR054-1002 3RΦ30基准座
- TR054 3R钨钢珠分中棒
- TR054-1044 Φ3R手动电极分中器
- T-KING 3R定位片
- T-KING 3R铜夹头
- T-KING 3R不锈钢夹头
- T-KING 3R拉钉
联系我们
CONTACT US


